电磁流量计由传感器和转换器两部分组成,感应器测量出流量的参数后,转换成脉冲信号然后传送到显示器上。但有时会出现电磁流量计的测量信号不稳定的现象发生,时而微弱时而增强,给生产过程带来了极大的不便。本文依据低频矩形波励磁方式下的电磁流量计工作原理和流量与信号的基本关系,去解决这个问题。在试用后,在一定的量程范围内,测量准确度可以达到0.25%.。
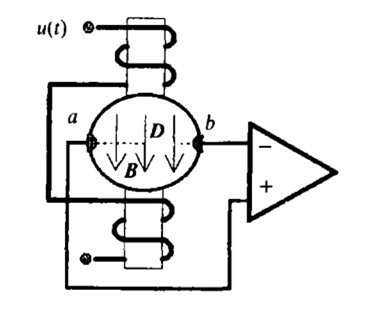
工业计量过程中常用电磁流量计来计量管道液体流量,测量原理是基于法拉第电磁感应定律.随着电磁流量计的发展,励磁方式也得到不断的改进,现行的电磁流量计中,低频矩形波励磁方式是设计人员主要采用的方法.这种励磁周期为工频的整数倍,正负矩形波励磁技术,明显提高了电磁流量计的抗干扰能力和测量精度.但是对信号处理方法的不同,将使电磁流量计的静动态流量测量性能有所差异.理想的信号处理方法应保持基本原理上的纯线性和快速响应特性.
1、一般电磁流量计的信号处理方式
C为仪表常数刀为感应磁场强度;D为传感器管道直径;V为流体流速;

现在很多电磁流量计的信号处理方法采用了电容隔离法,电容隔离法是将零点漂移近似作为直流处理的一种方法,即通过电容藕合来隔离零点漂移干扰,实现对感应电势信号的提取、放大处理.
在电容隔离法基础上,应用零点漂移法、基线控制法等信号处理方法都能在一定程度上克服电容隔离法的不足,抑制干扰,提高动态响应速度和线性度.
2、基波平均值转换的信号处理方法
电容隔离法或补偿电路不能很好解决感应信号失真和干扰信号被放大等问题.可以使用基波平均值转换的信号处理方法,基于与峰值、平均值、有效值成正比关系,对信号进行滤波并采用基波平均值处理转换的方法,可以有效提高电磁流量计抗干扰的能力.

由上述可知,电磁流量计的信号处理方法,可以满足小信号放大调理的苛刻要求。虽说电磁流量计还有其他信号处理方式,但都无法脱离滤波、噪声抑制等技术问题,同时产品化过程中还必须考虑电路屏蔽措施、热电势、接点处理方法和接地、装配工艺等对信号处理电路的影响,这样才能从根本上提高动态响应和仪表精度。
上海佑富实业有限公司是国内较早专业从事于工业控制现场仪表研发、生产、销售的高科技型企业,自主研发生产压力、流量、温度、物位、液位,分析仪表以及工业自动化控制系统等。佑富实业有限公司就是一个实实在在的仪器仪表生产厂家,从生产制作工艺上,都是严格按照国家标准,公司拥有生产资质、拥有自己的厂区,完善的生产流水线,力使生产的每一步都做到精致。
而且上海佑富拥有专业的团队运作,佑富的团队长期致力于解决流量计领域的各种难题,可以为您提供施工布线、测量方案、无人自动化值守等全方位的服务。
本文地址:http://www.shyoufu.cn/hyzx/496.html
-
有智能分层视镜的资料吗
-
我司需上一批智能分层视镜,请回电/先短信通知
-
能举例说明如何校验绝对压力变送器有吗?
量程 0~1000mbar ABS 如何校验?
欢迎致电我司技术
-
SFSD20有具体尺寸吗
与SFSD23尺寸一致,只是接头不同。
-
怎么选流量计呢,需要知道哪些参数
流量计的选型,需要知道测量的介质、温度、压力以及安装方式,然后就知道使用哪种流量计比较合理了。
-
电磁流量计为什么不可以测量不导电的介质呢?
电磁流量计是根据法拉第电磁感应定律进行流量测量的流量计,通过切割磁力线来测量液体的流量的。
-
由于氧化的柴油粘污在玻璃面板上,导致无法看清液位,应该怎么办
您好!已转技术联系您。