佑富(上海)智能传感技术有限公司
技术咨询热线13817430032

水塔水位自动控制器中压力表的使用

2019-11-19 15:22:45  

水塔的水位自动控制方案很多,不过大多数都是采用三根铜条作电极,安装在水塔上面以检测水塔中水位的高低,由此来控制水泵的运转,达到自动控制水位的目的。但这种控制方法存在着不足之处:铜电极长期浸没于水中,时间一长就会被腐蚀氧化,在其上附着一层铜绿,每过一段时间就得派人爬上水塔清洗,极不方便。

image.png

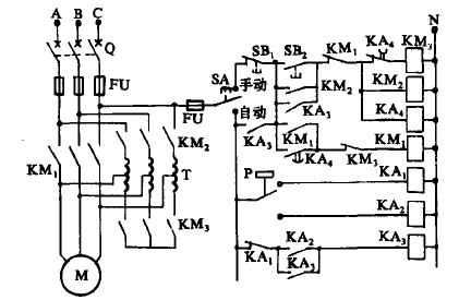
鉴于此,我厂在新建另一水塔时,采取了一种全新的设计方案,控制线路如附图所示。此种方案采用了一电接点压力表,由水压力的大小来控制电接点压力表的接通与否,再经过一定的线路控制水泵电机,从而控制水位的高低。

4工作原理如下:分手动与自动两种方法,在此仅介绍自动工作情况。当开关SA打向自动位置时,若水塔中水位低于设定的低水位时,电接点压力表P接通继电器KA2,水泵工作,电接点压力表指针随水压增高而偏转。当水位上升到设定的高水位时,电接点压力表指针接通继电器KA1,水泵停转。水位回落时,压力减小,电接点压力表指针往回偏转。待水位下降到设定的低水位时,接通继电器KA2,水泵再次起动。这样周而复始运作达到自动控制水位的目的。

目前来说,可以直接用一个电缆浮球液位开关就可以解决了。

本文地址:http://www.shyoufu.cn/hyzx/733.html
  • 有智能分层视镜的资料吗
  • 我司需上一批智能分层视镜,请回电/先短信通知
  • 能举例说明如何校验绝对压力变送器有吗? 量程 0~1000mbar ABS 如何校验?

    欢迎致电我司技术

  • SFSD20有具体尺寸吗

    与SFSD23尺寸一致,只是接头不同。

  • 怎么选流量计呢,需要知道哪些参数

    流量计的选型,需要知道测量的介质、温度、压力以及安装方式,然后就知道使用哪种流量计比较合理了。

  • 电磁流量计为什么不可以测量不导电的介质呢?

    电磁流量计是根据法拉第电磁感应定律进行流量测量的流量计,通过切割磁力线来测量液体的流量的。

  • 由于氧化的柴油粘污在玻璃面板上,导致无法看清液位,应该怎么办

    您好!已转技术联系您。

姓  名:
性  别: 保密
联系方式:
电子邮箱:
标题:
填写留言:
验证码:

上一篇:水塔水位自动控制器与PLC变频器的应用
下一篇:水塔水位自动控制器SFP4319与SFP3619区别

相关产品

RM智能显示型射频电容物位开关
 
佑富RM智能显示型射频电容物位开关是一款物位测量仪表,主要用于液体或固体颗粒的罐、槽、筒仓或料…...
UW系列阻旋料位开关
 
概述UW系列阻旋料位开关是一种用于固态物料(包括粉状、粒状、块状、胶状等)的物位控制器。其利用…...
TF音叉物位开关
 
名称:TF音叉物位开关制造商:佑富(上海)智能传感技术有限公司品牌:佑富概述TF音叉物位开关是一…...

相关文章

 地址:上海市嘉定区外冈高科技产业园区汇贤路758号     电话:021-59515306    传真:021-59556207   沪ICP备10201328号-4

佑富(上海)智能传感技术有限公司